欢迎来到 数控编程培训实训基地 - 凌文教育 (www.njlingwenedu.com)
咨询电话:17365473385 [ 网站地图 ]
首页
申请试学
在线咨询
课程介绍
本课程以CATIA V5为载体,详细介绍CATIA在设计绘图方面的应用。本课程由专业的资深设计工程师担任讲师讲解,以汽车设计为主线,力求贴近实际;例如实体建模部分,采用的实物是发动机缸体,连杆等汽车建模。而在装配仿真方面,采用的是汽车空调通风口部分等。课程注重建模思路及方法讲解,同一个案例采用不同的建模方法来实现,以及实际工程应用中,如何实现方便修改参数化管理。
课程特色
小班授课:
人手一机,学练结合,免费试听和重修,终身技术支持。
教师授课:
与学生上机实践相结合,采用多媒体教学方式,保证佳的学习效果。
案例教学:
采用完全的案例教学法,符合人的认知规律,边讲边练,循序渐进地引导学员迅速掌握相应的知识和技能。
注重实用:
每一位任课教师都具有多年的教学经验,他们不仅精通所讲授的课程,而且具备丰富的项目经验,在教学过程中会逐步将自己的项目经验传授给学员。
招生对象
对产品设计有着浓厚兴趣,有志成为一名的产品设计师,以及把CATIA做为工具的设计工程师。
上课时间
白天班 (9:00-11:30 13:30-16:00)
晚上班 (18:30-21:00)
周末班 (9:00-11:30 13:30-16:00)
课程大纲
CATIA汽车零部件设计精修班
课程目录
培训内容 培训案例
CATIA软件介绍及相关用户设置
主要介绍CATIA的操作界面,工具选项,以及如何设置自定义快捷键的相关操作(标准、工作台、图形属性、知识工程、视图、3Dx设备、工作台、工具控制板、错误日志、EnoviaVPM、PCS统计信息、ENOVIA V5 VPM、即时协同、ISD全局工具、PartDesign Feature Recognition、变换特征、标注、布尔操作、参考元素、高级修饰特征)
草图工具的使用及实体建模工具的使用
主要介绍草绘平面及三维实体工具的使用,并通过实例演示(视图与对象的基本操作、鼠标的操作、对象的选择、视图显示与着色显示、界面定制、定制菜单、定制用户工作台、定制工具栏、定制命令、定制选项、创建模型参考、参考点、参考直线、参考平面、草图工作台、基本绘图工具、基础特征设计、拉伸类特征、扫描类特征、实体混合)
创成式曲面工具的使用及实例演练
主要介绍创成式曲面工具的使用及曲面实例讲解(曲面设计概要、曲面造型的数学概念、线框的构建、简单曲面的创建、复杂曲面的创建、曲线与曲面的编辑、曲面中的圆角、自由曲面设计、曲线和曲面的信息与分析、产品的逆向设计、逆向工程设计的准备工作、点云数据的加载和输出、自顶向下设计的一般过程)
CATIA参数化建模
重点介绍通过函数编辑器和法制曲线来绘制一个齿轮。其中重点讲解了函数编辑器的用法以及法制曲线的建立方法。介绍通过Excel表格来建立非标零件(管夹),来建立企业的非标零件数据库。介绍二维还原成三维的建模方法,通过AUTOCAD绘制的单缸缸体,导入CATIA中还原成三维实体。介绍工程建模法中的组装法,通过布尔运算来绘制单缸缸体的案例来诠释组装法的绘制过程,建模思路及相关技巧。
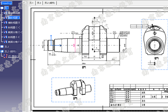
CATIA 工程制图
介绍CATIA工程制图模块相关命令的使用,标记尺寸,绘制断面图,剖视图,局部视图等,同时介绍了装配体BOM表的绘制。(工程图基本知识、CATIA工程制图基础、CATIA工程制图特点、物体的表达、标注、形位公差、焊接的标注、手动绘制标题栏、零件图、装配图、CATIA工程制图的辅助功能、普通螺纹直径与螺距系列基本尺寸)
CATIA 机构运动仿真
模拟零件的装配过程,通过装配轨迹的分析,检查装配过程是否干涉,装配方法是否存在问题,是否满足人机工程的要求等等; 介绍零件的运动副,通过运动副的添加来模拟机构的运动仿真; 介绍三组机构仿真,来检查运动过程中是否存在干涉,以及怎样输出运动参数,通过分析运动参数来调整运动轨迹。

学员保障
1.包教会,第一期没学会后期免费重学
2.推荐就业
江北校区: 南京市浦口高新开发区文景路61号创芯汇2号楼401-402室
17365473385
江宁校区: 南京市江宁区河定桥新都汇广场1-1幢617室
17761788160
全国咨询电话
17365473385
周一至周日   08:30-21:30
老师二维码
关注免费学习
苏ICP备15011995号-2 南京凌文教育科技有限公司 [ 网站地图 ] 版权所有 Copyright 2008 - 2021
领取学习资料
领取学习视频资料
限前100名
申请试听
您的姓名:
您的电话:
试听课程:
您的学历:
留言信息:
看不清?点击更换